Хочу приобрести Iprog

Да не че та мож с компом я вот пользую iprog без проблем вообще не глючит вот че че глучит так это scanmster реально лажа
Компьютер не совсем старый остальные шнуры работают без проблем. Он мне сразу не понравился глючный прибор и в интернете читал не хвалят его
 
Пробовал менять ком порт тоже самое. Походу лажа этот iprog, что надо другое покупать сarprog
Попробуйте на другом компьютере с ним поработать, возможно что-то мешает на этом.
 
Купил iprog. Только не могу никак его даже подключить. Ни на вин 10, ни на виртуалке вин 7. Пишет что актуальная версия драйвера уже установлена. Что может быть? Может у кого есть драйвера?
 

Вложения

  • Screenshot_3.png
    Screenshot_3.png
    50,1 КБ · Просмотры: 12
  • Screenshot_2.png
    Screenshot_2.png
    35,8 КБ · Просмотры: 12
  • Screenshot_1.png
    Screenshot_1.png
    89,9 КБ · Просмотры: 12
Купил iprog. Только не могу никак его даже подключить. Ни на вин 10, ни на виртуалке вин 7. Пишет что актуальная версия драйвера уже установлена. Что может быть? Может у кого есть драйвера?
Лучше на нормальной 7-ке установить
 
Можно взять уже доработанный комплект у меня.
автопрог это тоже клон клона, брать или не брать - это только ваше решение.
Доброго времени суток! Подскажите есть ли у вас доработанный iprog еще. Как обсудить подробности!? Благодарю!
 
Да, всегда есть.
 
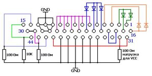
А где нибудь продаются готовые тестовые заглушки? Или мне она не поможет раз пишет что програматор не подключен
 

Вложения

  • IMG20250907093208-1.jpg
    IMG20250907093208-1.jpg
    489,6 КБ · Просмотры: 9
Частая проблема usb кабель, потом уже смотреть серийный номер и номер скрипта.
 
Не нахожу, а что в поисковике вводили?
В данный момент нет в наличии, периодически появляется и цена меньше, на эту не смотрите

Адаптер IPROG FULL TEST
 
Назад
Верх Низ